General Details
Total Area : 3551 Square Feet
Total Bedrooms : 4
Type : Double Floor
Style : Contemporary
Construction Cost : 70 Lac’s


3551 Square Feet Double Floor Specifications
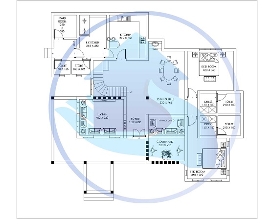
Ground Floor
Number of Bedrooms : 2
Bathroom Attached : 2
Living Room
Dining Room
Sit out
Poomugham
Ladies Sitting
Courtyard
Prayer Room
Car Porch
Kitchen
Fire Kitchen
Work Area
First Floor
Number of Bedrooms : 2
Bathroom Attached : 2
Upper Living
Study Area
Home Theatre
Balcony
FOR MORE KERALA HOME DESIGNS

3551 Square Feet Double Floor Contemporary Home Design
We have cratered the dreams of lot of people who are in fond of home designs and interior works. With all the credits to our crew members whoever had committed their immense work towards the new home design project “3551 Square Feet Double Floor Contemporary Home Design” to furnish up a masterpiece among the series, we first of all, introduce the new home design with a number of 4 bedrooms along with the combination of attached bathrooms and a common toilet. According to the designer, the design is well specified with the latest interior home designs which are mostly applied over the living and dining rooms to enrich the look of the beauty of the home design and also over the spacious kitchen which almost provide the entire home design more impressive.
